Novo Publicação: Marco Legal da Inovação

Acessar agora
Tecnologias protegidas para transferir e licenciar

Método de extração de óleo básico de óleo lubrificante usado (OLUC) por aplicação de ondas ultrassônicas

Método de extração de óleo básico de óleo lubrificante usado (OLUC) por aplicação de ondas ultrassônicas

Áreas de aplicação

Energia, petróleo e gás Indústria Tecnologias ambientais Tecnologias de análise e identificação

Descrição técnica

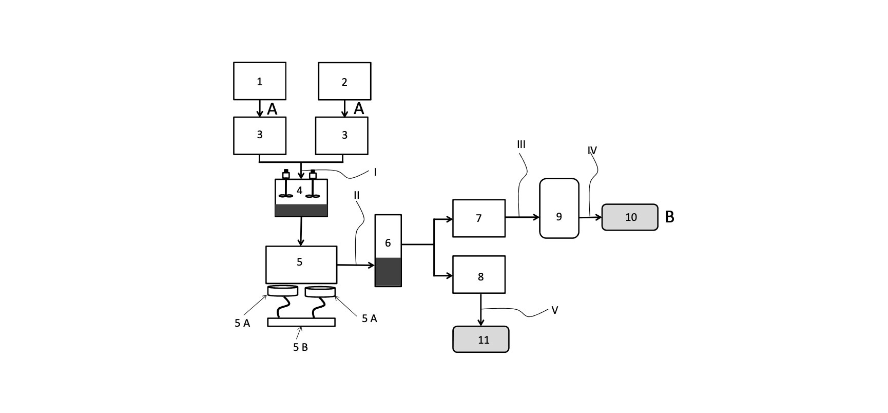
Trata-se de uma nova metodologia para extração de óleo lubrificante de óleo usado/contaminado sem a necessidade de acrescentar produtos tóxicos, sem produzir subprodutos nocivos à saúde ou gerar outros produtos que requeiram cuidados especiais de descarte, e assim, tal método se dispõe da aplicação indireta de ultrassom (US) de baixa frequência, para a extração e floculação em óleo lubrificante ou contaminado (OLUC), permitindo uma recuperação superior a 80% de óleo lubrificante e ainda possibilitando ser enquadrado em óleo base neutro leve, neutro médio, e spindle (topo); o método se dispõe de alguns componentes e etapas, tais como o OLUC (1); solventes (2); homogeneização (A); aquecimento (3); agitação (4); aplicação de ondas ultrassónicas (5); sedimentação (6); separação de fases (7 e 8); fase topo (7); destilação simples (9); resultados (B); fase fundo (8) e indústria cimenteira (11), compondo assim uma sequência de procedimentos e redirecionamento de resultados; por fim, nota-se que o método recorre de processos simples e de fácil implementação, além de permitir a instalação de sistemas de rerrefino em mais localidades por exigir pouco aporte tecnológico.

Colaboradores

  • Maristela De Araujo Vicente / Maria De Fátima Pereira Dos Santos / Felipe Oliveira Souza / Sandra Mara Santana Rocha / Cristina Maria Dos Santos Sad / Cezar Augusto Bizzi / Wellington Luis De Oliveira / Luar Santana De Paula